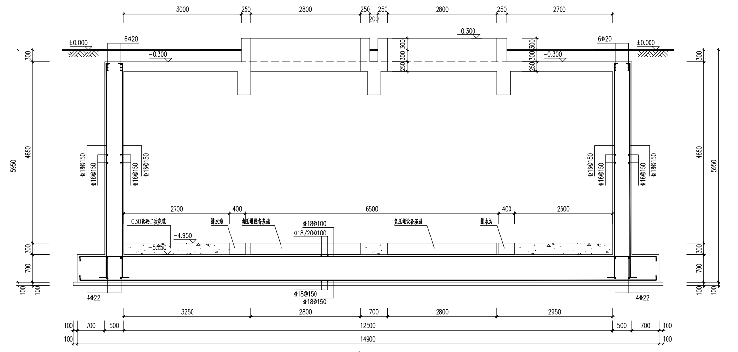
答疑:请问这是一个什么基础

提问网友:谨言慎行
提问日期:2025-11-27 12:09:16

答疑解惑


已采纳
解答网友:GXZ

钻石专家

软件用筏板基础及筏板受力钢筋布置,

解答网友:米老鼠

铂金专家

筏板基础或满堂基础 

解答网友:清风拂面

黄金专家

筏板基础

0

评论0

请先
新22G02 钢筋混凝土结构构造
新22G02 钢筋混凝土结构构造
5分钟前 有人购买 去瞅瞅看
没有账号?注册  忘记密码?

社交账号快速登录

微信扫一扫关注
扫码关注后会自动登录网站