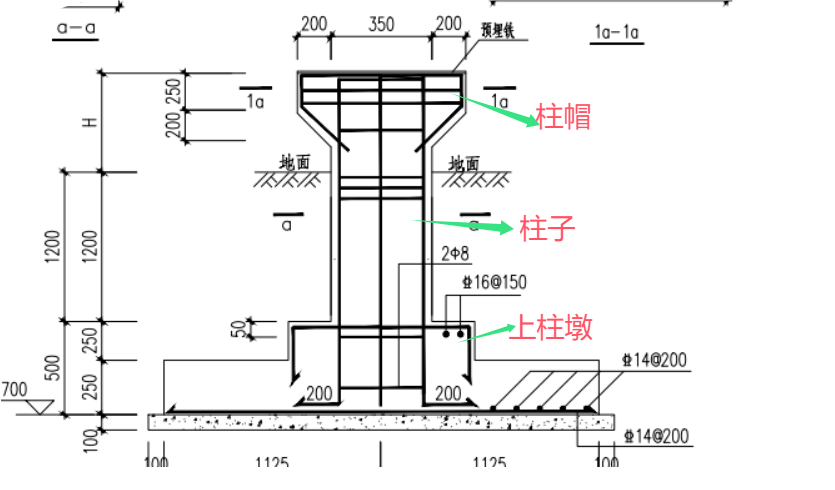
答疑:这个柱墩如何画

提问网友:韦韦
提问日期:2025-12-11 15:56:40

柱墩


解答网友:钢筋撑起半边天

钻石专家

下边用上柱墩+中间用柱子+顶上用柱帽   处理

墩

解答网友:星霜荏苒

钻石专家

柱墩+柱+柱帽

解答网友:nh

钻石专家

答疑解惑

0

评论0

请先
CAD全套打包,智能配电标准设计v3.1
CAD全套打包,智能配电标准设计v3.1
1分钟前 有人购买 去瞅瞅看
没有账号?注册  忘记密码?

社交账号快速登录

微信扫一扫关注
扫码关注后会自动登录网站