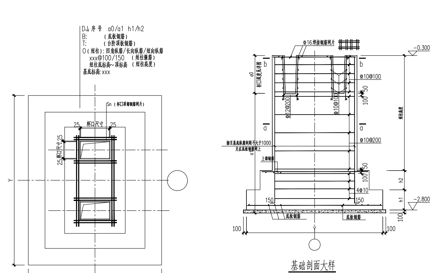
答疑:请问图中独基钢筋在图形算量中怎么设置,谢谢!

提问网友:星
提问日期:2025-12-04 18:35:50

独基


解答网友:欢乐心中飞雪

钻石专家

独立基础+框架柱组合绘制

实在布置不上去的就在其他钢筋输入计算

0

评论0

请先
QGDW 10746-2023 同步发电机进相试验导则
QGDW 10746-2023 同步发电机进相试验导则
1分钟前 有人购买 去瞅瞅看
没有账号?注册  忘记密码?

社交账号快速登录

微信扫一扫关注
扫码关注后会自动登录网站