答疑:请问母线调试需要给几段,按照什么区分,分段柜吗?

提问网友:程筱月
提问日期:2025-11-27 18:50:42

母线


解答网友:大海

钻石专家

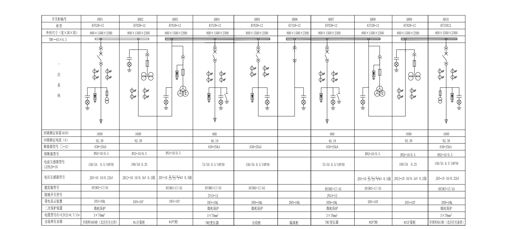
配电柜内母线,不单独计算调试费。

配电柜外,如果是母线可以计算开闭所至本配电柜的母线调试费(工程量2段;双电源)

但本截图,开闭所至本配电柜是采用电缆连接(供电)的,只能计算高压电缆调试费。

0

评论0

请先
TB 10450-2020 铁路路基支挡结构检测规程(附条文说明).pdf
TB 10450-2020 铁路路基支挡结构检测规程(附条文说明).pdf
9分钟前 有人购买 去瞅瞅看
没有账号?注册  忘记密码?

社交账号快速登录

微信扫一扫关注
扫码关注后会自动登录网站