以下是GB 45832-2025《船舶用玻璃安全技术要求》的详细内容总结:
1. 适用范围
本文件规定了船舶用玻璃(包括舷窗用钢化玻璃、矩形窗用钢化玻璃及矩形窗用电加温玻璃)的安全技术要求和试验方法,适用于生产、检验、交付和验收。
2. 材料要求
- 原片玻璃:钢化玻璃和电加温玻璃的原片需符合GB 11614-2022的优质加工级标准。
- 电加温玻璃组成:由承载玻璃、盖板玻璃、加温元件和中间层构成。
3. 技术要求
3.1 冲压强度
- 要求:钢化玻璃及电加温玻璃的承载玻璃需在指定载荷下不破碎、无破损。
- 试验载荷(部分关键值):
公称厚度 (mm) A型载荷 (N) B型载荷 (N) 8 6,500 6,700 10 10,200 11,000 12 15,500 — 15 24,000 —
3.2 电气安全性能
- 绝缘电阻:电加温玻璃各部位绝缘电阻 ≥50 MΩ。
- 介电强度:试验时无击穿或闪络,漏电电流 ≤5mA。
3.3 加热均匀性
- 温度均匀性:加温区最大温差 ≤10℃。
- 加温区缺陷要求:
- 导电膜加热:
- 缺陷直径 ≤5mm:允许;
- 5mm < 缺陷 ≤10mm:≤3个;
- 缺陷 >10mm:不允许。
- 电热丝加热:
- 失效/过热区宽度 ≤5mm:允许;
- 5mm < 宽度 ≤15mm:≤2个,间距 ≥45mm;
- 宽度 >15mm:不允许。
- 导电膜加热:
4. 试验方法
4.1 试验通用条件
- 环境:温度 20℃±5℃,湿度 40%~80%,试样需放置 ≥24h。
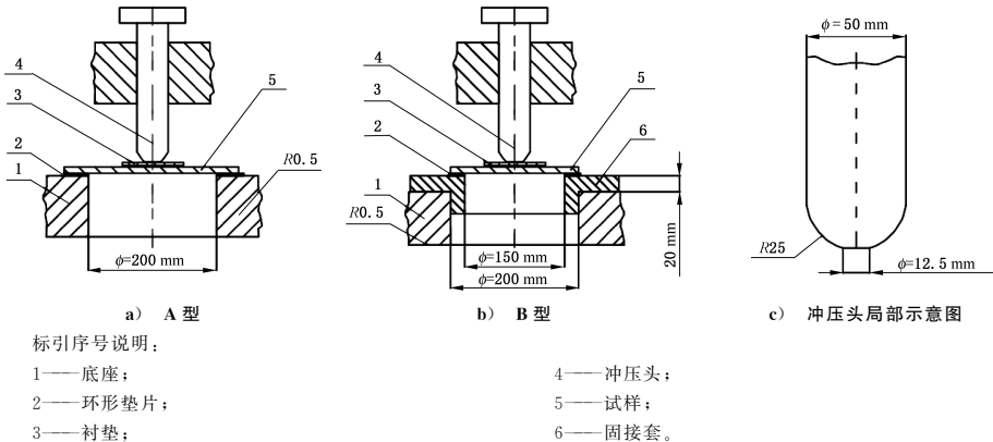
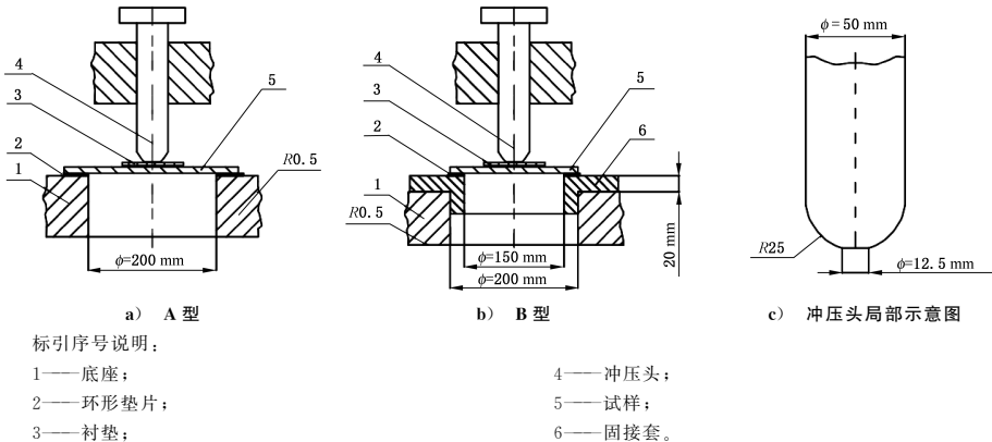
4.2 冲压强度试验
- 装置:
- A型(玻璃尺寸 ≥250mm)、B型(200mm < 尺寸 < 250mm)。
- 关键组件:钢制底座、环形橡胶垫片(硬度 40~60 IRHD)、钢冲压头(下端直径 12.5mm)、缓冲衬垫。
- 步骤:
- 试样置于橡胶垫圈上,冲压头对准中心,加缓冲垫。
- 以 1000 N/s 速度加载至表2载荷,保持 5秒 后卸载,观察状态。
4.3 绝缘电阻试验
- 设备:兆欧表(500V/1000V,精度≥1.0级)或绝缘电阻测试仪。
- 部位:加温区导线与玻璃边缘、导线与热敏电阻、不同加温区导线间。
- 步骤:清洁试样后连接设备,测量并记录电阻值。
4.4 介电强度试验
- 设备:符合 GB/T 42125.10 的介电强度测试仪。
- 步骤:
- 试样边缘包裹导电铜箔。
- 施加电压 2倍额定电压 + 1000V,升压速率 500 V/s,持续 (60±5)秒。
- 电极一端接加热丝导线,另一端接铜箔(如图2)。
4.5 加热均匀性试验
- 温度均匀性:
- 用热像仪(测温范围 -30℃~150℃,分辨率 0.2℃)监测试样。
- 施加额定电压,当热点达 (40±1)℃ 时固定热图。
- 计算最高与最低温度点差值(ΔT = T₁ – T₂)。
- 加温区缺陷:
- 投影仪光源下,试样通电 ≥30分钟。
- 暗室中观察屏幕投影,测量缺陷尺寸。
5. 规范性引用文件
- GB 11614-2022(平板玻璃)
- GB/T 39798-2021(光学性能试验)
- GB/T 42125.10(绝缘电阻与介电强度试验)
- GB/T 6031(橡胶硬度标准)
6. 其他说明
- 专利声明:文件可能含专利内容,发布机构不承担识别责任。
- 归口部门:工业和信息化部。
此标准通过机械、电气及热性能的量化要求,确保船舶用玻璃的安全性与可靠性,试验方法覆盖全面且可操作性强。





评论0