经验设计方法也叫试凑法,经验设计方法需要设计者掌握大量的典型电路,在掌握这些典型电路的基础上,充分理解实际的控制问题,将实际控制问题分解成典型控制电路,然后用典型电路或修改的典型电路进行拼凑梯形图。
常用基本环节梯形图程序:
1.起动、保持和停止电路
2.常闭触点输入信号的处理
3.多继电器线圈控制电路
4.多地控制电路
5.互锁控制电路
6.顺序起动控制电路
7.集中与分散控制电路
8.自动与手动控制电路
9.闪烁电路
10.延合延分电路
11.定时范围扩展电路
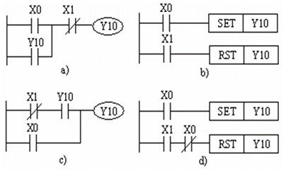
启动、保持和停止电路:
实现Y10的启动、保持和停止的四种梯形图如图所示。这些梯形图均能实现启动、保持和停止的功能。X0为启动信号,X1为停止信号。图a、c是利用Y10 常开触点实现自锁保持,而图b、d是利用SET、RST指令实现自锁保持。
常闭触点输入信号的处理:
如果输入信号只能由常开触点提供,梯形图中的触点类型与继电器电路的触点类型完全一致。
如果接入PLC的是输入信号的常闭触点,这时在梯形图中所用的X1的触点的类型与PLC外接SB2的常开触点时刚好相反,与继电器电路图中的习惯也是相反的。建议尽可能采用常开触点作为PLC的输入信号。
多继电器线圈控制电路:
下图是可以自锁的同时控制4个继电器线圈的电路图。其中X0是起动按钮,X1是停止按钮。
多地控制电路:
下图是两个地方控制一个继电器线圈的程序。其中X0和X1是一个地方的起动和停止控制按钮,X2和X3是另一个地方的起动和停止控制按钮。
互锁控制电路:
下图是3个输出线圈的互锁电路。其中X0、X1和X2是起动按钮,X3是停止按钮。由于Y0、Y1、Y2每次只能有一个接通,所以将Y0、Y1、Y2的常闭触点分别串联到其它两个线圈的控制电路中。
顺序起动控制电路:
如下图所示。Y0的常开触点串在Y1的控制回路中,Y1的接通是以Y0的接通为条件。这样,只有Y0接通才允许Y1接通。Y0关断后Y1也被关断停止,而且Y0接通条件下,Y1可以自行接通和停止。X0、X2为起动按钮,X1、X3为停止按钮。
集中与分散控制电路:
在多台单机组成的自动线上,有在总操作台上的集中控制和在单机操作台上分散控制的联锁。集中与分散控制的梯形图如图所示。X2为选择开关,以其触点为集中控制与分散控制的联锁触点。当X2为ON时,为单机分散起动控制;当X2为OFF时,为集中总起动控制。在两种情况下,单机和总操作台都可以发出停止命令。
自动与手动控制电路:
在自动与半自动工作设备中,有自动控制与手动控制的联锁,如图所示。输入信号X1是选择开关,选其触点为联锁型号。当X1为ON时,执行主控指令,系统运行自动控制程序,自动控制有效,同时系统执行功能指令CJ P63,直接跳过手动控制程序,手动调整控制无效。当X1为OFF时,主控指令不执行,自动控制无效,跳转指令也不执行,手动控制有效。
闪烁电路:
当拨动开关将X0接通,启动脉冲发生器。延时2s后Y0接通,再延时1s后Y0断开。这一过程周期性地重复。Y0输出一系列脉冲信号,其周期为3s,脉宽为1s。
延合延分电路:
如图所示用X0控制Y0,当X0的常开触点接通后,T0开始定时,10s后T0的常开触点接通,使Y0变为ON。X0为ON时其常闭触点断开,使T1复位,X0变为OFF后T1开始定时,5s后T1的常闭触点断开,使Y0变为OFF,T1也被复位。Y0用起动、保持、停止电路来控制。
定时范围扩展电路:
FX2N系列PLC定时器的最长定时时间为3276.7s,如果需要更长的定时时间,可以采用以下方法以获得较长延时时间。
1)多个定时器组合电路
如图所示。当X0接通,T0线圈得电并开始延时,延时到T0常开触点闭合,又使T1线圈得电,并开始延时,当定时器T1延时到,其常开触点闭合,再使T2线圈得电,并开始延时,当定时器T2延时到,其常开触点闭合,才使Y0接通。因此,从X0为ON开始到Y0接通共延时9000s。
2)定时器和计数器组合
当X1为ON时,T1开始定时,0.6s后T1定时时间到,其常闭触点断开,使它自己复位,复位后T1的当前值变为0,同时它的常闭触点接通,使它自己的线圈重新通电,又开始定时。T1将这样周而复始地工作,直至X1变为OFF。从分析中可看出,1最上面一行电路是一个脉冲信号发生器,脉冲周期等于T1的设定值。
产生的脉冲列送给C0计数,计满3个数后,C0的当前值等于设定值,它的常开触点闭合,Y0开始输出。
梯形图的设计:
梯形图便是是以图形符号及图形符号在图中的相互关系表示控制关系的编程语言,是从继电器电路图演变而来。两者部分符号对应关系如表所示。
根据输入输出接线圈可设计出异步电动机点动运行的梯形图如图 (a)所示。工作过程分析如下:当按下SB1时,输入继电器X0得电,其常开触点闭合,因为异步电动机未过热,热继电器常开触点不闭合,输入继电器 X2 不接通,其常闭触点保持闭合,则此时输出继电器 Y0 接通,进而接触器 KM 得电,其主触点接通电动机的电源,则电动机起动运行。当松开按钮 SB1 时,X0失电,其触点断开,Y0失电,接触点 KM 断电,电动机停止转动,即本梯形图可实现点动控制功能。
图(b)为电动机连续运行的梯形图,其工作过程分析如下:
当按 SB1被按下时 X0 接通,Y0置1,这时电动机连续运行。需要停车时,按下停车按钮 SB2,串联于 Y0 线圈回路中的 X1 的常闭触点断开,Y0 置1,电机失电停车。
启-保-停电路:
梯形图(b)称为启-保-停电路。这个名称主要来源于图中的自保持触点Y0。并联在X0常开触点上的Y0常开触点的作用是当钮SB1松开,输入继电器X0断开时,线圈 Y0 仍然能保持接通状态。工程中把这个触点叫做“自保持触点“。启-保-停电路是梯形图中最典型的单元,它包含了梯形图程序的全部要素。它们是:
a、事件每一个梯形图支路都针对一个事件。事件输出线圈(或功能框)表示,本例中为 Y0 。
b、事件发生的条件 梯形图支路中除了线圈外还有触点的组合,使线圈置 1 的条件既是事件发生的条件,本例中为起动按钮 X0 置 1 。
c、事件得以延续的条件 触点组合中使线圈置1得以持久的条件。本例中为与X0并联的Y0的自保持触点。
d、使事件终止的条件 触点组合中使线圈置1中断的条件。本例中为 X1的常闭触点断开。
语句表:
点动控制即图(a)所使用到的基本指令有:
从母线取用常开触点指令 LD ;
常闭触点的串联指令 ANI;
输出继电器的线圈驱动指令OUT 。
每条指令占用一个程序步,语句表如下:
连续运行控制即图(b)所使用到的基本指令有:
从母线取用常开触点指令 LD;
常开触点的并联指令 OR;
常闭触点的串联指令 ANI;
输出继电器的线圈驱动指令OUT。语句表如下:
本文来源于互联网,暖通南社整理编辑。






















评论0