2026.07.08-重庆市《城市道路路内停车位设置导则》DB50_T 1961-2026
ICS 03.220.20 CCS R 80 DB50 重庆市地方标准 DB 50/T 1961—2026 城市道路路内停车...
2026.07.08-重庆市《耕地质量单元划定技术规范》DB50_T 1990-2026
ICS 65.020.01 CCS B 10 DB50 重 庆 市 地 方 标 准 DB50/T 1990—2026 ───────────...
2026.07.08-重庆市《项目区耕地质量划分技术规范》DB50_T 1991-2026
ICS 65.020.01 CCS B 10 DB50 重庆市地方标准 DB50/T 1991—2026 项目区耕地质量划...
2026.07.08-重庆市《城市快速路及高速公路城市段照明设施维护技术规程》DB50_T 1960-2026
ICS 03.220.20 CCS P 51 DB50 重 庆 市 地 方 标 准 DB50/T 1960—2026 城市快速路...
NBT 35088-2016 水电机组机械液压过速保护装置基本技术条件
ICS 27.140 K 55 备案号:57333-2017 NB 中华人民共和国能源行业标准 NB / T 35088...
DLT 1932-2018 6kV~35kV电缆振荡波局部放电测量系统检定方法
ICS 29.020 F 24 备案号:68898-2019 DL 中华人民共和国电力行业标准 DL/T 1932 — ...
2026.04.10-《流域水生态环境质量标准制订技术导则》HJ 1467-2026
ICS 13.060.99 CCS Z 04 HJ 中华人民共和国国家生态环境标准 HJ 1467-2026 流域水...
2026.08.01-福建省《装配式钢结构住宅建筑技术标准》DBJ_T 13-539-2026
福建省工程建设地方标准 DB 工程建设地方标准编号:DBJ/T 13-539-2026 住房和城乡...
2026.08.01-福建省《装配式部分包覆钢-混凝土组合结构建筑应用技术标准》DBJ_T 13-537-2026
福建省工程建设地方标准 DB 工程建设地方标准编号:DBJ/T 13-537-2026 住房和城乡...
2026.08.01-福建省《城市轨道交通桥涵工程施工质量验收标准》DBJ_T 13-542-2026
福建省工程建设地方标准 DB 工程建设地方标准编号:DBJ/T 13-542-2026 住房和城乡...
2026.08.01-福建省《高延性纤维增强水泥基复合材料加固砌体结构技术标准》DBJ_T 13-534-2026
福建省工程建设地方标准 DB 工程建设地方标准编号:DBJ/T 13-534-2026 住房和城乡...
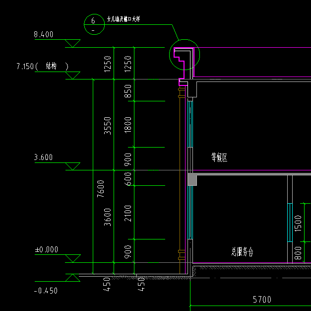
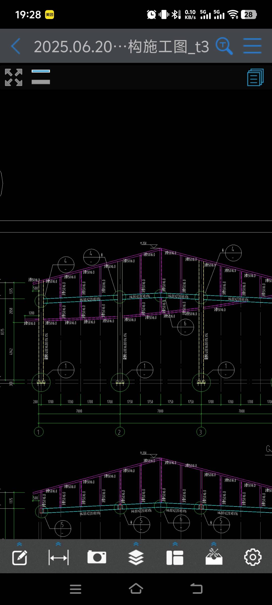
KDM-69602-A003 R1 钢结构连接节点(焊接连接)
TCC® 中国天辰工程有限公司 CHINA TIANCHEN ENGINEERING CORPORATION 中国天辰工程...
2026.05.30-内蒙古自治区《耐践踏草坪建造与养护技术规程》DB15_T 4388-2026
ICS 65.020.40 CCS B 62 DB15 内蒙古自治区地方标准 DB15/T 4388—2026 耐践踏草坪...
GB∕T 47104-2026 建筑物和建筑构件的热性能 物理量和定义
ICS 91.120.10 CCS Q 25 中华人民共和国国家标准 GB/T 47104-2026/ISO 7345:2018 ...
2026.11.01-江西省《公路桥梁防船撞工程施工技术规程》DB36_T 2236-2026
ICS 93.040 CCS P 28 DB36 江 西 省 地 方 标 准 DB36/T 2236—2026 公路桥梁防船撞...
2026.11.01-江西省《河道疏浚砂石综合利用方案编制导则》DB36_T 2232-2026
ICS 93.020 CCS P 56 DB36/T 2232-2026 DB36 江 西 省 地 方 标 准 DB36/T 2232-20...
2026.11.01-江西省《早强型灌注式半柔性路面施工技术指南》DB36_T 2237-2026
ICS 93.080.10 CCS P 66 DB36 江西省地方标准 DB36/T 2237-2026 早强型灌注式半柔...
2026.05.30-内蒙古自治区《村级养老服务站建设与运行管理规范》DB15_T 4380-2026
ICS 03.080.99 CCS A 12 DB15 内蒙古自治区地方标准 DB15/T 4380—2026 ───────────...
DB44∕T 2834-2026 城镇道路三维探地雷达检测技术标准
ICS 93.080.1 CCS P 14 DB44 广 东 省 地 方 标 准 DB44/T 2834—2026 城镇道路三维...
DB44∕T 2835-2026 城镇给水管道非开挖修复工程技术标准
ICS 23.040 CCS P 41 DB44 广 东 省 地 方 标 准 DB44/T 2835—2026 城镇给水管道非...
DB44∕T 2836-2026 600MPa 级热轧带肋钢筋应用技术标准
ICS 03.080.01 CCS A 16 DB44 广东省地方标准 DB44/T 2836-2026 600MPa级热轧带肋...
DB44∕T 2839-2026 人工湿地水质提升工程技术规范
ICS 13.060.01 CCS Z 50 DB44 广东省地方标准 DB44/T 2839—2026 人工湿地水质提升...


