BIM
BIM吧
整体模型
族
其他资料
Dynamo
设计
方案
整体场景
单体模型
RHINO
施工图设计
结构
机电设计
材质渲染
D5素材
ENS素材专区
lumion素材
PS素材
规范图集
标准规范
行业图集
教程
视频
软件
Office
编程
造价
施工技术
计量计价
造价答疑
在线工具
管理
登录
注册
搜索
当前位置:
首页
造价
造价答疑
正文
答疑:这个单价怎么询呢,市场上不好找综合
3分钟前
造价答疑
1
推广
提问网友:001
提问日期:2025-12-25 09:22:42
解答网友:走出工地
黄金专家
把常用规格的单价取平均值。
0
上一篇
答疑:星三角启动的水泵,电源电缆要按两根算吗
猜你喜欢
造价答疑
答疑:星三角启动的水泵,电源电缆要按两根算吗
提问网友:BP提问日期:2025-12-25 09:24:53星三角启动的水泵,电源电缆要按两根算...
3分钟前
1
造价答疑
答疑:请问该项目特征是否属于填缝
提问网友:0794提问日期:2025-12-25 09:14:46解答网友:可遇难求 ...
3分钟前
0
造价答疑
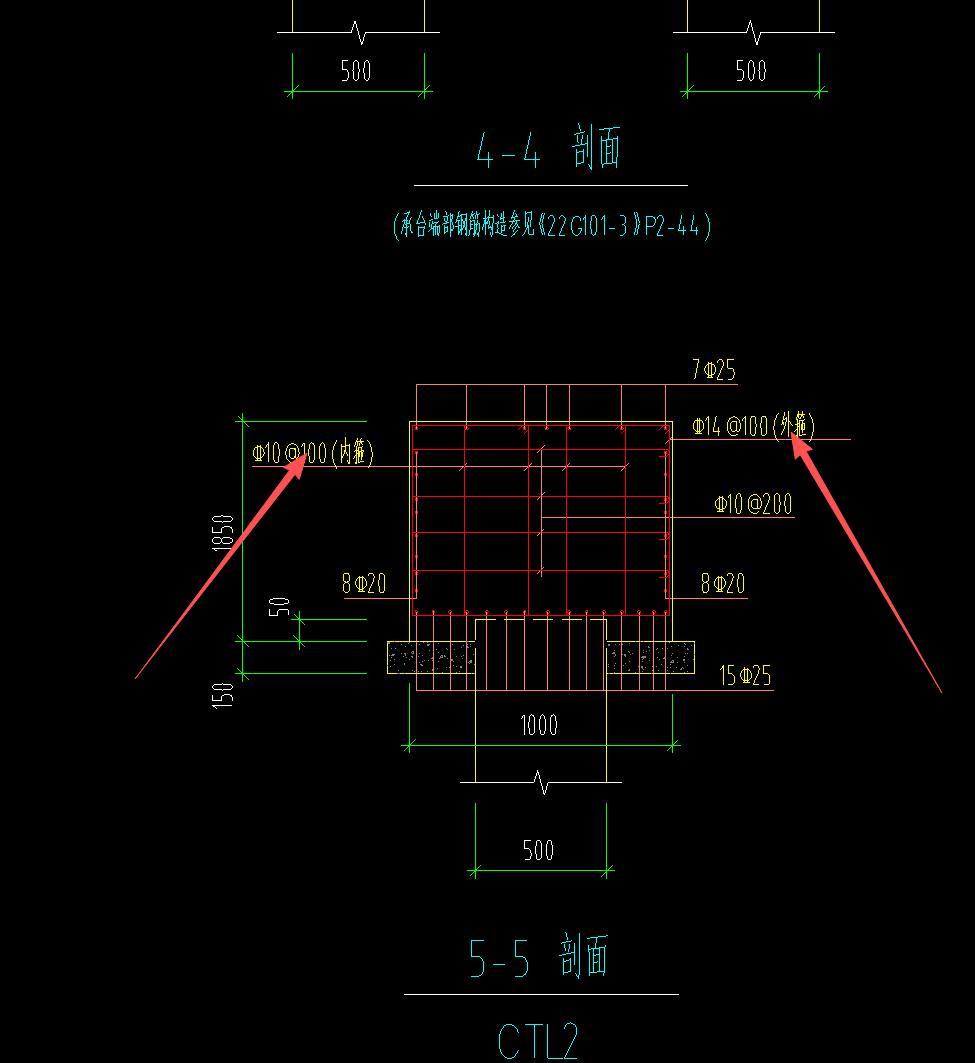
答疑:请问外箍和内箍如何输入
提问网友:mxxx提问日期:2025-12-25 09:18:12解答网友:星辰大海 ...
3分钟前
0
造价答疑
答疑:老师们,请问这个排水管的高度是不是要计算
提问网友:叉叉提问日期:2025-12-25 09:10:32已采纳解答网友:陶陶 ...
4分钟前
0
造价答疑
答疑:想问一下这个线和标注是什么意思
提问网友:issssx提问日期:2025-12-25 09:11:01解答网友:钢筋撑起半边天 ...
4分钟前
0
造价答疑
答疑:广联达GQI2026安装算量中的电气管线按最近距离计算如何设置?
提问网友:林光提问日期:2025-12-25 09:11:18请各位大神解说下,是否调整【计算设...
4分钟前
0
评论
0
请先
登录
Q/GDW 1949-2013 输电线路跨越(钻越)高速铁路技术导则.pdf
5分钟前 有人购买
去瞅瞅看
在线客服
升级VIP
返回顶部
没有账号?
注册
忘记密码?
社交账号快速登录
已有账号?
登录
社交账号快速登录
微信扫一扫关注
扫码关注后会自动登录网站
使用其他方式登录/注册
评论0