BIM
BIM吧
整体模型
族
其他资料
Dynamo
设计
方案
整体场景
单体模型
RHINO
施工图设计
结构
机电设计
材质渲染
D5素材
ENS素材专区
lumion素材
PS素材
规范图集
标准规范
行业图集
教程
视频
软件
Office
编程
造价
施工技术
计量计价
造价答疑
在线工具
管理
登录
注册
搜索
当前位置:
首页
造价
造价答疑
正文
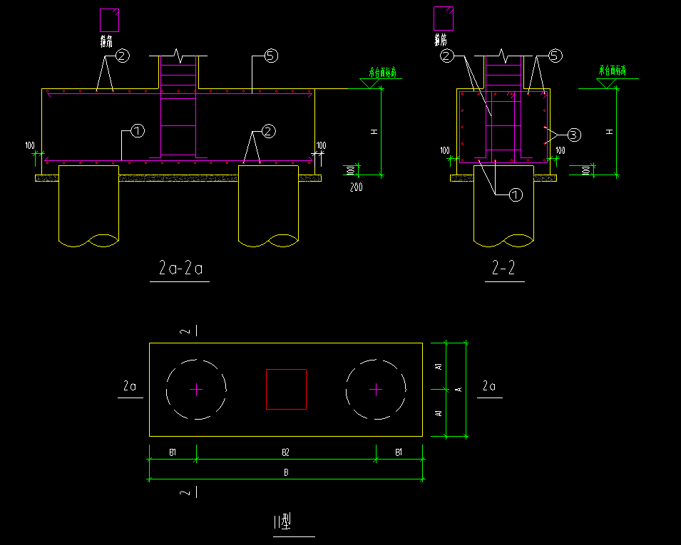
答疑:这里的管子管径是多少,并且是不是按两根管子算
3天前
造价答疑
2
推广
提问网友:听风于野
提问日期:2025-12-08 10:44:24
解答网友:芋头
铂金专家
不是的
根据系统图确定
0
上一篇
答疑:连接卫生器具的排水管一般从楼板下穿上来,那这个位置是否需要设置钢套管呢?
下一篇
答疑:底下的这段管径是多少
猜你喜欢
造价答疑
答疑:图纸中GZ代表什么柱?
提问网友:柠萌萌提问日期:2025-12-12 09:35:28请问图纸中标注的GZ代表什么柱,看...
2秒前
0
造价答疑
答疑:各位老师,想问一下这个60度,对应我在软件里填的放坡系数是多少呀
提问网友:张泽雨提问日期:2025-12-12 09:38:04解答网友:陈工 ...
5秒前
0
造价答疑
答疑:请问1235钢筋都对应梁式配筋哪些钢筋啊
提问网友:DannyTang提问日期:2025-12-12 09:30:00解答网友:欢乐心中飞雪 ...
10秒前
0
造价答疑
答疑:请问负一层标高怎么设置?有一块筏板基础标高不同,其他基础顶标高是-6.11
提问网友:王语嫣提问日期:2025-12-12 09:30:32解答网友:华睿工作室 ...
15秒前
0
造价答疑
答疑:这是4D16吗
提问网友:l提问日期:2025-12-12 09:31:16已采纳解答网友:欢乐心中飞雪 ...
21秒前
0
造价答疑
答疑:坡道这个位置需要算满堂脚手架或者里脚吗
提问网友:张张张提问日期:2025-12-12 09:32:08解答网友:GXZ ...
30秒前
0
评论
0
请先
登录
GB/T 16895.1~31 低压电气装置 全套标准PDF合集(2022更新)
8分钟前 有人购买
去瞅瞅看
在线客服
升级VIP
返回顶部
没有账号?
注册
忘记密码?
社交账号快速登录
已有账号?
登录
社交账号快速登录
微信扫一扫关注
扫码关注后会自动登录网站
使用其他方式登录/注册
评论0