答疑:构造柱问题

提问网友:小牛马
提问日期:2025-11-21 16:17:58

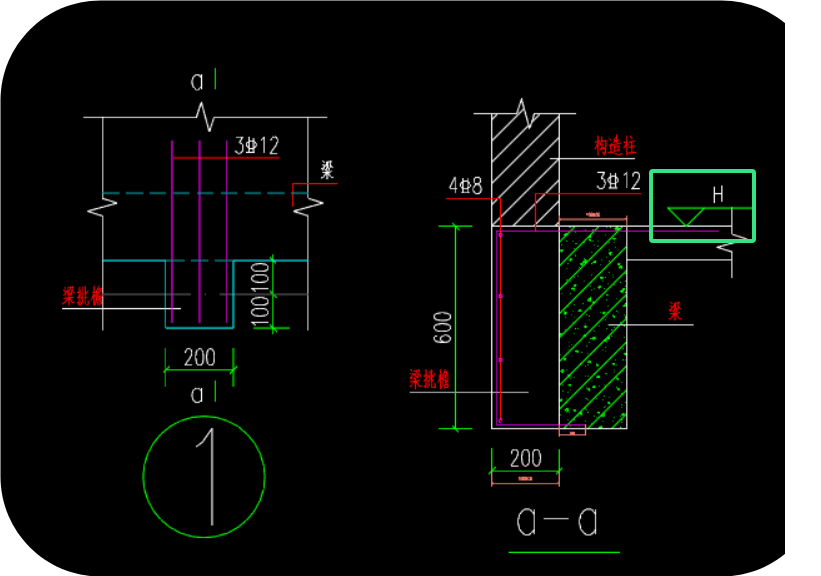
如图是构造柱底部的构造详图如果一个构造柱是6~17层都有,那这个构造是只布置在6层底还是每一层层底都有底部


解答网友:弃文下海

专家

从底到顶

解答网友:可遇难求

钻石专家

是只布置在6层底

解答网友:下雨天

白银专家

图纸设计要求设置,没画的就没有

如果有疑问,可以咨询下设计

解答网友:钢筋撑起半边天

钻石专家

H的楼层范围都要有

构造柱

0

评论0

请先
完整OCR无水印 19S707 小型生活排水处理成套设备选用与安装. pdf
完整OCR无水印 19S707 小型生活排水处理成套设备选用与安装. pdf
1分钟前 有人购买 去瞅瞅看
没有账号?注册  忘记密码?

社交账号快速登录

微信扫一扫关注
扫码关注后会自动登录网站