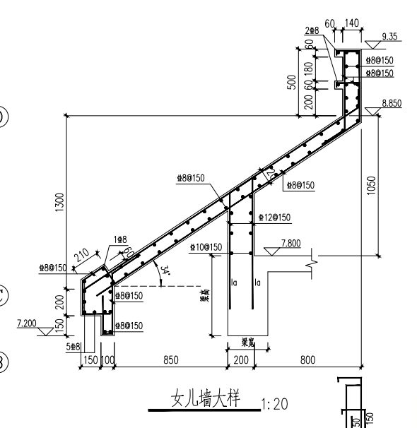
答疑:谁来帮我解释一下这个栓钉是什么意思?看得出来间距是多少吗?

提问网友:星星的老公大人
提问日期:2025-11-13 21:03:39

间距

2025-11-13 21:14:27 补充

答疑解惑


解答网友:星辰大海

钻石专家

广联达服务新干线

0

评论0

请先
高压线路杆型10KV全套安装图纸电线杆CAD图纸打包!
高压线路杆型10KV全套安装图纸电线杆CAD图纸打包!
刚刚 有人购买 去瞅瞅看
没有账号?注册  忘记密码?

社交账号快速登录

微信扫一扫关注
扫码关注后会自动登录网站