答疑:各位大佬们 这两个楼梯该怎么输入

提问网友:大米饭
提问日期:2025-11-11 09:00:54

楼梯答疑解惑


解答网友:GXZ

钻石专家

是要选择双网双向参数构件楼梯

解答网友:下雨天

专家

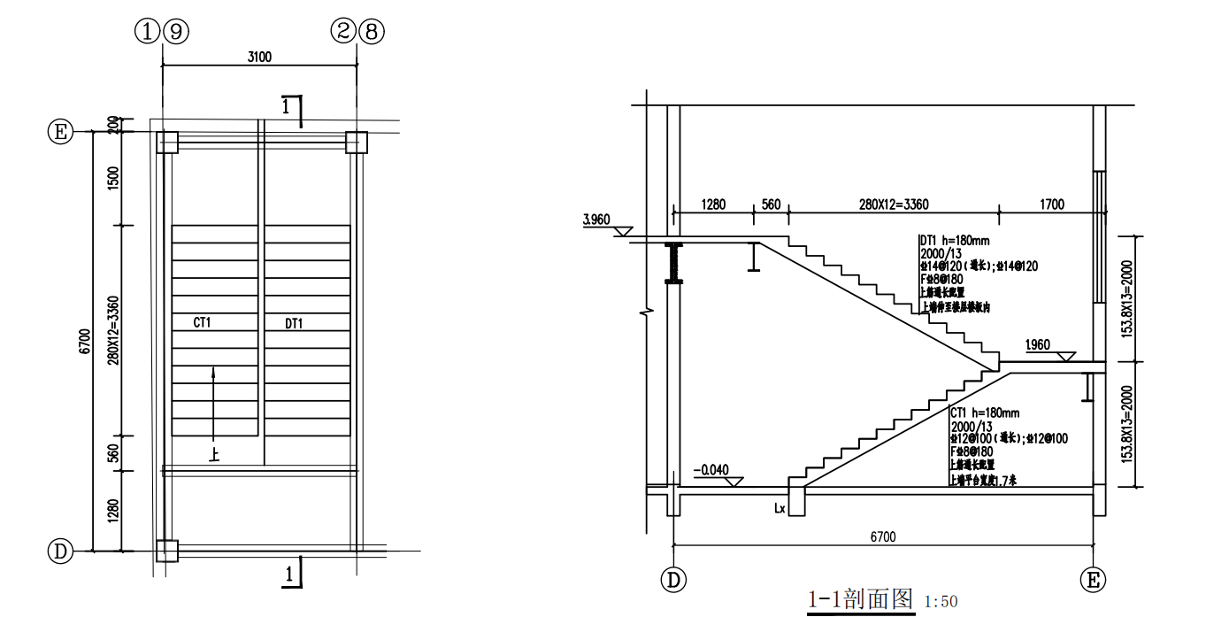
广联达服务新干线感觉图纸上标注的CT,DT不太对,图纸平面图和剖面图是有矛盾的,我按自己理解的设置了

0

评论0

请先
2025.02.07-辽宁省《高标准农田建设指南 第7部分:高标准农田工程施工质量评定规范》DB21_T 3722.7-2024
2025.02.07-辽宁省《高标准农田建设指南 第7部分:高标准农田工程施工质量评定规范》DB21_T 3722.7-2024
1分钟前 有人购买 去瞅瞅看
没有账号?注册  忘记密码?

社交账号快速登录

微信扫一扫关注
扫码关注后会自动登录网站