BIM
BIM吧
整体模型
族
其他资料
Dynamo
设计
方案
整体场景
单体模型
RHINO
施工图设计
结构
机电设计
材质渲染
D5素材
ENS素材专区
lumion素材
PS素材
规范图集
标准规范
行业图集
教程
视频
软件
Office
编程
造价
施工技术
计量计价
造价答疑
在线工具
管理
登录
注册
搜索
当前位置:
首页
造价
造价答疑
正文
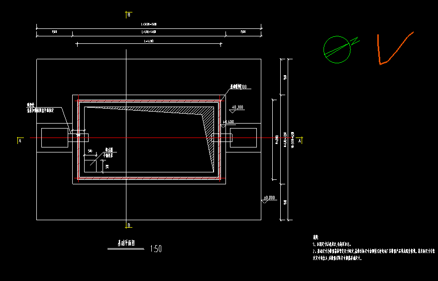
答疑:箱变基础怎么手算?
3小时前
造价答疑
1
推广
提问网友:茶茶
提问日期:2025-11-04 15:21:37
解答网友:放学丶别走
图示以体积计算其工程量。
0
广联达
上一篇
答疑:外墙保温一体板简便算量
下一篇
答疑:简易计税工程,设备价格按含税金额计算,那这个设备还需计算税金吗
猜你喜欢
造价答疑
答疑:剖面三 黄线这里什么啊 40*40的砖怎么算的面积
提问网友:花开与你半夏提问日期:2025-11-05 09:41:06解答网友:GXZ ...
2小时前
0
造价答疑
答疑:在陕西安装新定额中,计算规则
提问网友:造价达达提问日期:2025-11-05 09:41:07在陕西安装新定额中,例如某建筑...
2小时前
0
造价答疑
答疑:U72x41.3x10x8x2.5的每米重量怎么计算
提问网友:liu_0131提问日期:2025-11-05 09:42:44已采纳解答网友:放学丶别走
2小时前
0
造价答疑
答疑:生成的梁侧面钢筋是按一跨一跨的原位标注尺寸,还是梁的集中标注的尺寸生产
提问网友:似水流年提问日期:2025-11-05 09:30:35解答网友:钢筋撑起半边天 ...
2小时前
0
造价答疑
答疑:临时电缆敷设摊销
提问网友:韩涛提问日期:2025-11-05 09:33:28辽宁省房屋建筑与装饰工程定额,临时...
2小时前
0
造价答疑
答疑:机具费指数需要调?在哪里调?调什么?
提问网友:2214提问日期:2025-11-05 09:33:36解答网友:老牛 ...
2小时前
1
评论
0
请先
登录
【可下载】电力建设工程概算定额+预算定额(2018版)全套免费下载
刚刚 有人购买
去瞅瞅看
在线客服
升级VIP
返回顶部
没有账号?
注册
忘记密码?
社交账号快速登录
已有账号?
登录
社交账号快速登录
微信扫一扫关注
扫码关注后会自动登录网站
使用其他方式登录/注册
评论0