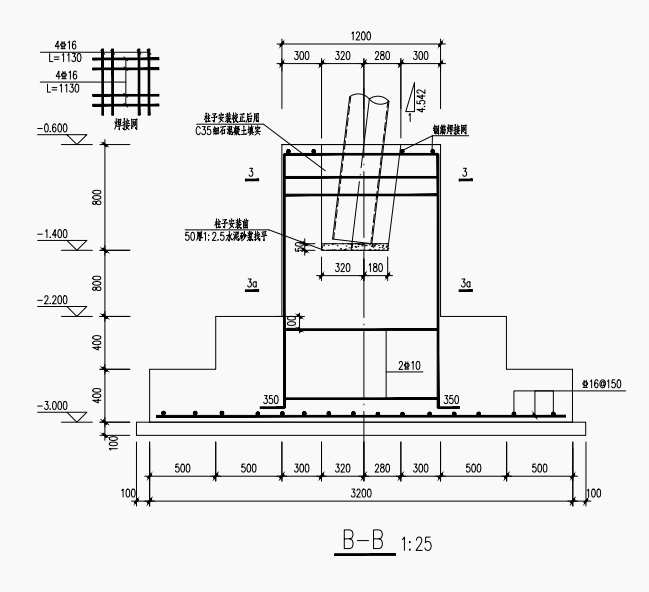
答疑:我用参数独立基础画出来了,但是图三柱的那个钢筋没法布置啊

提问网友:项
提问日期:2025-11-04 14:50:36

独立基础

三柱

答疑解惑


解答网友:放学丶别走

那是柱钢筋,用柱钢筋布置。

0

评论0

请先
HY/T 070-2022 海域使用面积测量规范.pdf
HY/T 070-2022 海域使用面积测量规范.pdf
3分钟前 有人购买 去瞅瞅看
没有账号?注册  忘记密码?

社交账号快速登录

微信扫一扫关注
扫码关注后会自动登录网站