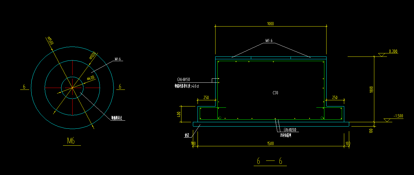
答疑:这种圆形基础的钢筋应该如何布置?

提问网友:李星泽
提问日期:2025-11-04 11:04:50

如何布置


解答网友:十年工程人

筏板建模  采用不同筏板的厚度  筏板筋采用多板布置

解答网友:GXZ

钻石专家

用筏板基础代替,在筏板中心部位分割一小块圆形,就可以布置放射钢筋及圆形钢筋

解答网友:石姐

铂金专家

圆形筏板基础

布置底筋+面筋

解答网友:Ruin

专家

钢筋的形状多变,建议取平均值手算

0

评论0

请先
高清正式版 T/CBDA 51-2021 住宅装饰装修工程施工技术规程( 条文说明)(OCR文字可搜索复制).pdf
高清正式版 T/CBDA 51-2021 住宅装饰装修工程施工技术规程( 条文说明)(OCR文字可搜索复制).pdf
10分钟前 有人购买 去瞅瞅看
没有账号?注册  忘记密码?

社交账号快速登录

微信扫一扫关注
扫码关注后会自动登录网站