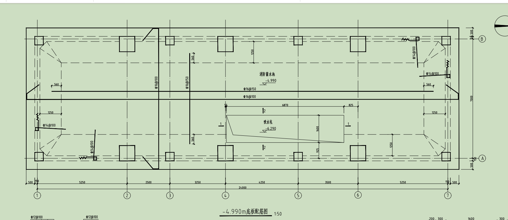
答疑:我画的筏板,这个筋用筏板负筋画吗,然后我怎么描述呢,这个筋尺寸也不是很够,也弯

提问网友:1255762041@qq.com
提问日期:2025-10-27 14:46:18

板负筋

筏板负筋


解答网友:zhangy

黄金专家

这种钢筋是伸入剪力墙的,所以查看一下墙的剖面图,钢筋是在筏板上部还是在筏板下部。

解答网友:石姐

铂金专家

应该是剪力墙的垂直分布筋,锚入到筏板基础内的吧

竖向是通长的

剪力墙的垂直分布筋是什么规格的

0

评论0

请先
Excel版,国家电网企业标准(2003-2024)汇总表2168项-xycost.com
Excel版,国家电网企业标准(2003-2024)汇总表2168项-xycost.com
9分钟前 有人购买 去瞅瞅看
没有账号?注册  忘记密码?

社交账号快速登录

微信扫一扫关注
扫码关注后会自动登录网站