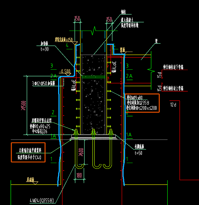
答疑:请问这种变截面柱墩怎么绘制?

提问网友:夏凤才
提问日期:2025-10-22 19:52:12

柱墩


解答网友:陈工

钻石专家

上中下,分三段计算混凝土工程量。钢筋,在表格中输入计算。

0

评论0

请先
国网35~110kV智能变电站模块化建设施工图通用设计
国网35~110kV智能变电站模块化建设施工图通用设计
8分钟前 有人购买 去瞅瞅看
没有账号?注册  忘记密码?

社交账号快速登录

微信扫一扫关注
扫码关注后会自动登录网站