答疑:预制钢筋混凝土管桩的定额问题

提问网友:okaxc
提问日期:2025-10-18 11:38:28

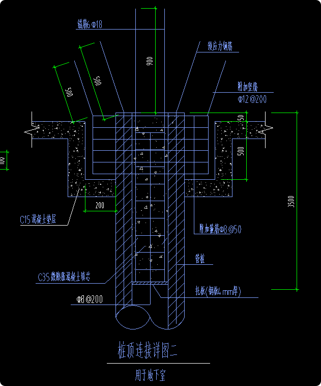
如下图所示,预制钢筋混凝土管桩,需要凿桩头还是截桩头?需要套用整理钢筋定额吗?

谢谢!

定额问题


解答网友:GXZ

钻石专家

截桩头及桩顶的插筋要进行计算,并选择合适的定额子目计价

0

评论0

请先
T_CEC 442-2021 直流电缆载流量计算公式
T_CEC 442-2021 直流电缆载流量计算公式
5分钟前 有人购买 去瞅瞅看
没有账号?注册  忘记密码?

社交账号快速登录

微信扫一扫关注
扫码关注后会自动登录网站