BIM
BIM吧
整体模型
族
其他资料
Dynamo
设计
方案
整体场景
单体模型
RHINO
施工图设计
结构
机电设计
材质渲染
D5素材
ENS素材专区
lumion素材
PS素材
规范图集
标准规范
行业图集
教程
视频
软件
Office
编程
造价
施工技术
计量计价
造价答疑
在线工具
管理
登录
注册
搜索
当前位置:
首页
造价
造价答疑
正文
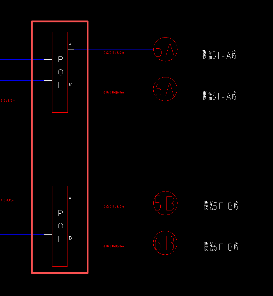
答疑:POI是什么,套什么清单定额
2周前
造价答疑
5
推广
提问网友:耗子
提问日期:2025-10-12 17:27:53
解答网友:冰临城下
黄金专家
无线路由器
0
上一篇
答疑:请教各位老师,这些子目是否包含主材价格?取安装费是否要减去主材价
下一篇
答疑:基带处理单元BBU套什么清单定额
猜你喜欢
造价答疑
答疑:为啥新建的工程这一项默认是这个别人不是
提问网友:小牛马提问日期:2025-10-27 18:08:42解答网友:舒 ...
2天前
3
造价答疑
答疑:选择哪种后浇带形式
提问网友:啦啦啦啦啦提问日期:2025-10-27 18:10:40解答网友:星辰大海 ...
2天前
2
造价答疑
答疑:钢结构工程拆除用到的汽车吊和履带吊
提问网友:焉知鱼提问日期:2025-10-27 18:28:57(广东18定额)钢结构工程拆除用到...
2天前
3
造价答疑
答疑:请问下做法里面第一个怎么套定额
提问网友:建筑小羊提问日期:2025-10-27 18:30:24解答网友:陈工 ...
2天前
3
造价答疑
答疑:用24清单新建 预算文件,显示费用文件不存在
提问网友:小李提问日期:2025-10-27 18:39:47解答网友:舒 ...
2天前
2
造价答疑
答疑:金属复合柱式散热器和压铸铝双金属散热器是否为一种散热器 是否需要换算
提问网友:九键提问日期:2025-10-27 18:55:29解答网友:舒 ...
2天前
3
评论
0
请先
登录
全套高清PDF 青海省19J系列建筑图集(无水印、完整版),共14册
10分钟前 有人购买
去瞅瞅看
在线客服
升级VIP
返回顶部
没有账号?
注册
忘记密码?
社交账号快速登录
已有账号?
登录
社交账号快速登录
微信扫一扫关注
扫码关注后会自动登录网站
使用其他方式登录/注册
评论0