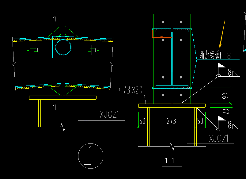
答疑:你好老师,请问这个节点有几个新加劲板t=8的

提问网友:周末
提问日期:2025-10-07 17:07:45

答疑解惑

是上下各四个,共八个么 还是多少个?


解答网友:大家广联

钻石专家

是8块

0

评论0

请先
中国建研院《 结构设计统一技术措施》2025.4
中国建研院《 结构设计统一技术措施》2025.4
10分钟前 有人购买 去瞅瞅看
没有账号?注册  忘记密码?

社交账号快速登录

微信扫一扫关注
扫码关注后会自动登录网站