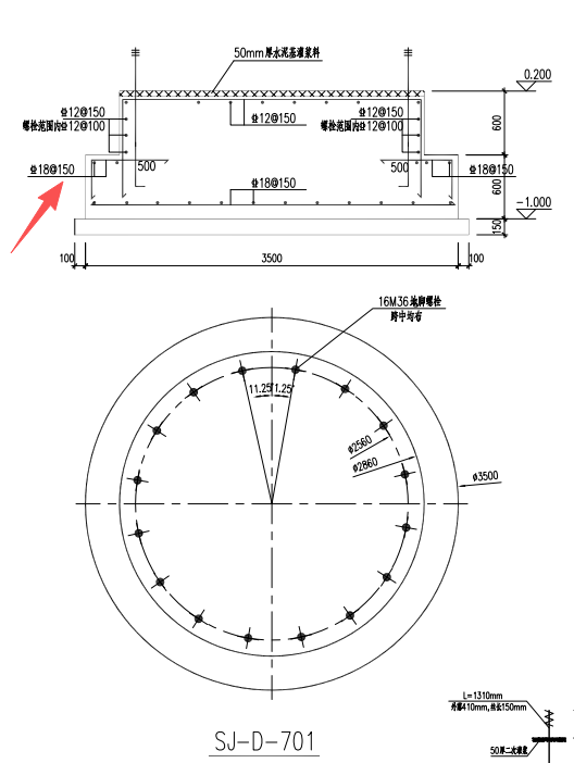
答疑:请问,图中箭头所指钢筋该怎么计算方便,还想请教下底筋面筋是圆形布置还是xy方向

提问网友:匿名用户
提问日期:2025-10-03 15:48:52

面筋


解答网友:沈继平

白银专家

圆形布置

解答网友:nh

钻石专家

建议基础钢筋内设置

解答网友:雪花飘 飘

铂金专家

筏板定义,

圆形,放射筋布置

0

评论0

请先
高清无水印 通桥(2021)5402-12 客货共线铁路钢筋混凝土框架箱涵 双孔 孔径:5.0m 铁路工程建设通用参考图集.pdf
高清无水印 通桥(2021)5402-12 客货共线铁路钢筋混凝土框架箱涵 双孔 孔径:5.0m 铁路工程建设通用参考图集.pdf
1分钟前 有人购买 去瞅瞅看
没有账号?注册  忘记密码?

社交账号快速登录

微信扫一扫关注
扫码关注后会自动登录网站