2026.04.01-北京市《城市轨道交通工程矩形顶管施工与质量验收标准》DB11_T 2508-2025
北京市地方标准 DB11/T 2509-2025 城市轨道交通工程矩形顶管施工与质量验收标准 St...
2026.04.01-北京市《城市轨道交通工程信息模型竣工交付标准》DB11_T 2507-2025
北京市地方标准 DB 编号:DB11/T 2507-2025 城市轨道交通工程信息模型竣工交付标准...
2026.04.01-北京市《低层蒸压加气混凝土承重建筑技术规程》DB11_T 1031-2025
北京市地方标准 DB 编号:DB11/T 1031-2025 代替:DB11/T 1031-2013 低层蒸压加气...
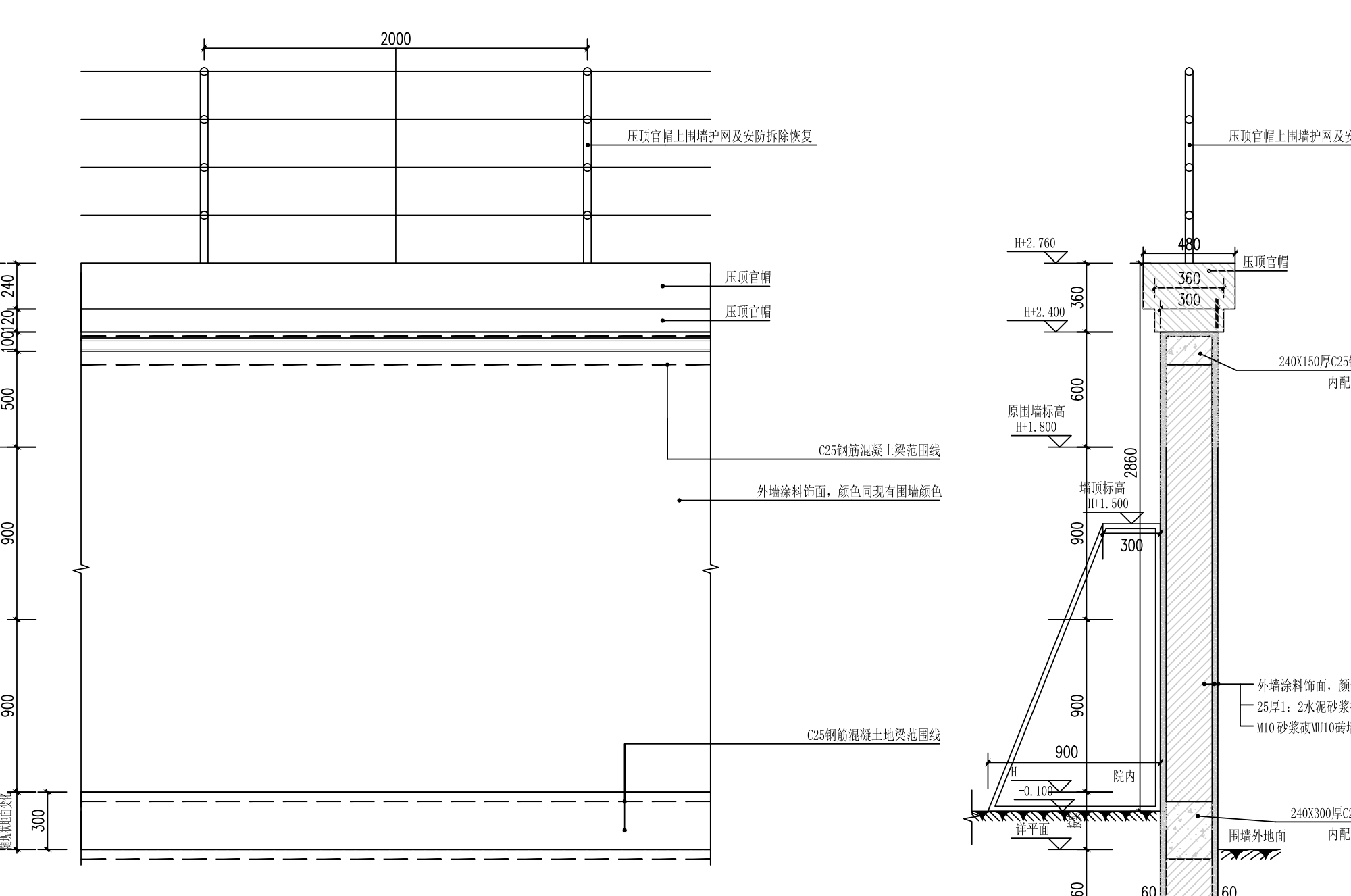
2026.04.01-北京市《地下连续墙施工技术规程》DB11_T 1526-2025
北京市地方标准 DB 编号:DB11/T 1268-2025 代替:DB11/T 1268-2018 地下连续墙施...
2026.04.01-北京市《钢-胶合木组合结构工程施工质量验收规程》DB11_T 2506-2025
北京市地方标准 DB 编号:DB11/T 2596-2025 钢-胶合木组合结构工程施工质量验收规...
2026.02.01-北京市《公路钢渣沥青混合料技术规范》DB11_T 3048-2026
DB11 北京市地方标准 DB11/T 3048—2026 公路钢渣沥青混合料技术规范 Technical spe...
2026.04.01-北京市《公共建筑装饰装修工程质量验收标准》DB11_T 1087-2025
北京市地方标准 DB 公共建筑装饰装修工程质量验收标准 Standard for quality accep...
2026.04.01-北京市《建筑室内装配式装修技术规程》DB11_T 1553-2025
北京市地方标准 DB 编号:DB11/T 1553-2023 代替:DB11/T 1553-2018 建筑室内装配...
2026.04.01-北京市《绿色建筑评价标准》DB11_T 825-2025
北京市地方标准 DB 编号:DB11/T 825-2025 代替:DB11/T 825-2021 绿色建筑评价标...
2026.04.01-北京市《温拌沥青路面施工技术规程》DB11_T 939-2025
北京市地方标准 DB 编号:DB11/T 859-2025 代替:DB11/T 859-2012 温拌沥青路面施...
2026.03.01-北京市《信息技术应用创新 应用软件适配改造成本度量规范》DB11_T 3052-2026
ICS 35.080 CCS L 77 DB 11 北京市地方标准 DB11/T 3052—2026 信息技术应用创新 应...
2026.04.01-北京市《预拌混凝土绿色生产管理规程》DB11_T 642-2025
北京市地方标准 DB 编号:DB 11/ 642-2025 代替:DB11/T 642-2021 预拌混凝土绿色...
2026.02.01-天津市《公路钢渣沥青混合料技术规范》DB12_T 3048-2025
KCS 93.080.20 CCS R 18 DB 12 天津市地方标准 DB12/T 3048—2025 公路钢渣沥青混合...
GB∕T 46163-2025 钢板表面硬点电磁检测方法
GB/T 46163—2025 钢板表面硬点电磁检测方法 Electromagnetic testing method for h...
DLT 1186-2025 1000kV罐式电压互感器技术规范
1CS 29.24.20 DL 中华人民共和国电力行业标准 DL/T11862025 代替DLT1186-2012 1000...
基建技术【2026】4号国网基建部关于发布35~750kV 输变电工程通用设计、通用设备应用目录(2026版)的通知
普通事项 国家电网有限公司部门文件 基建技术[2026]4号 国网基建部关于发布输变电...
2026.01.16-河北省《城市道路地下病害体探测技术规程》DB13_T 6241-2025
ICS 93.020 CCSP13 0813 河北省地 方 标 准 DB13/T 6241-2025 城市道路地下病害体...
2026.01.16-河北省《不粘轮乳化沥青黏层施工技术规范》DB13_T 6210-2025
ICS 03.220.20 CCSR 04 0813 河北省地 方 标 准 DB 13/T 62102025 不粘轮乳化沥青...
2026.02.01-河北省《公路钢渣沥青混合料技术规范》DB13_T 3048-2025
ICS 03.220.20 CCSR 04 0813 河北省地 方 标 准 DB 13/T 30482025 公路钢渣沥青混...


